Simulation Models
Using a Deadbeat Controller in abc coordinates. Deadbeat control is perfect for understanding how the 3-phase inverter works.
A very simple current controller in dq-coordinates.




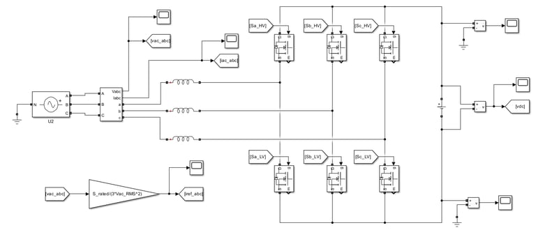
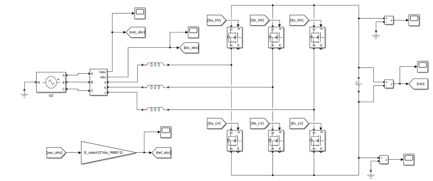
Simple 3-Phase Inverter with model based control
3-Phase Inverter in dq-frame
Contact
Questions or feedback? Reach out anytime.
Kristian.Skorpen.YT@gmail.com
© 2025. All rights reserved.