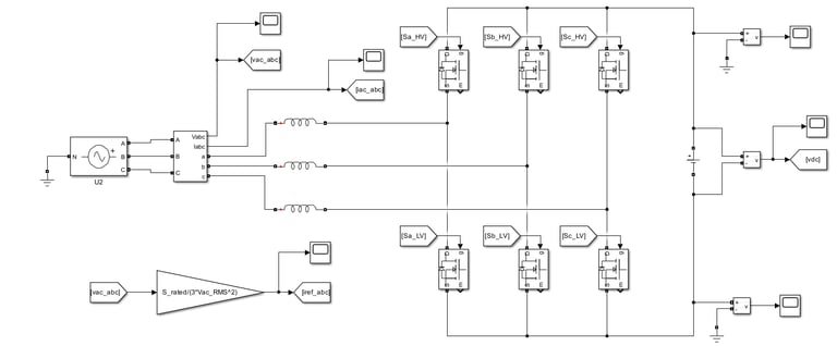
Simple 3-Phase Inverter with model based control


Simple 3-Phase Inverter using a Deadbeat Controller in abc coordinates. Deadbeat control is perfect for understanding how the 3-phase inverter works.
Submit your email address, and I will send you the simulation model!
Contact
Questions or feedback? Reach out anytime.
Kristian.Skorpen.YT@gmail.com
© 2025. All rights reserved.
subscribe