Explanation and Comparison of 3 Different PWM Strategies for Full-Bridge Inverter


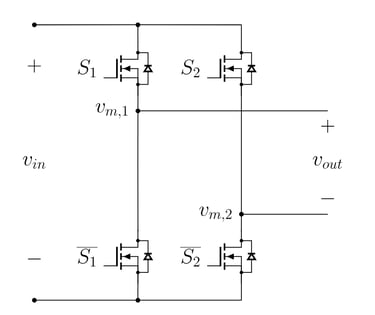
The goal of a Full-Bridge Inverter is to control the output voltage (v_out), which can be done using a Pulse Width Modulation (PWM) strategy.
In this mini-course 3 different PWM strategies for a Full-Bridge Inverter will be explained and compared. The 3 different PWM strategies are:
1. Bipolar PWM
2. Standard Unipolar PWM
3. Fast-slow leg PWM (a variant of unipolar PWM)
They will be explained in detail, with both analytical equations and numerical examples in Python.
To take the mini-course, I recommend a basic understanding of electronics and math. But you don't need to understand how an inverter works or what a PWM is. That is covered in the course.
Submit your email address, and I will send you the PDF!


Contact
Questions or feedback? Reach out anytime.
Kristian.Skorpen.YT@gmail.com
© 2025. All rights reserved.