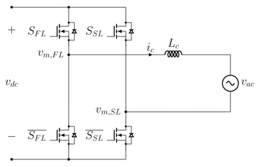
Explanation and Comparison of Control Methods for a Bidirectional Single-Phase Inverter


In this course, we will cover the bidirectional single-phase inverter and how to control the output current ic and the output power.
The course focuses on two main control approaches:
1. Control in the stationary frame (abc)
2. Control in the rotating frame (dq)
Both control methods will be explained in detail and compared. The explanations use both analytical equations and numerical examples in Python.
To take the course, I recommend a basic understanding of electronics, math, and control theory. I expect that you understand, at a high level, how inductors and PI controllers work. However, you do not need to understand how an inverter works or how it is controlled. These topics are covered in the course.
The course is given as a PDF. You will also get another version of the content in a Jupyter notebook, where you can run the numerical examples.
Enter your email and I will send you the course price




Control Structure in the stationary frame (abc)
Control Structure in the rotating frame (dq)
This is what the course contains:




Contact
Questions or feedback? Reach out anytime.
Kristian.Skorpen.YT@gmail.com
© 2025. All rights reserved.